preloader

Pulp & Paper

CE Sea Blue
EC Sea Blue
CE
Reach
RoHS
RoHS
API Certificate

Pressure Grinder

Pressure grinder are widely employed for pulp and paper industries, the pressure grinder produces mechanical pulps for the highest quality wood containing products at low consumption and environmental load. Pressure grinders offers cost-efficiency through low energy consumption, superior printability and optical properties, flexibility and production efficiency etc.

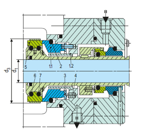
Seal Type: BR-D

Media Steam + Fibres
RPM 355
Temperature 1450 C
Pressure 6 Bar

Pulp Pump

Pulp pumps are employed for transporting mixtures of liquid and solid components (e.g., fibrous materials in the pulp and paper industry). Large inspection holes facilitate a quick and easy removal of any clogging. Special impeller types are fitted which matches the type of pulp and the pump application.

Seal Type: BJ977

Media Deinking Media
RPM 2950
Temperature 1400 C
Pressure 20 Bar

Digesting & Bleaching Pump

Chemical pulp bleaching is accomplished with various compounds containing chlorine or oxygen and alkali extractions in several stages whereby increasing the efficiency of bleaching by reducing the amount of chemical required. Anaerobic digestion is a well-established process for the biological treatment of organic waste streams from various industrial processes, including the pulp and paper manufacturing processes. For efficient anaerobic digestion, the key process parameters include temperature, system pH, volatile fatty acids, nutrients, mixing, and toxicity.

Seal Type: U740-D

Media Bleaching Agents
RPM 2900
Temperature 1400 C
Pressure 11 Bar

Deinking Pump

Deinking is the industrial process of removing printing ink from paper fibres of recycled paper to make deinked pulp. The deinked pulp is produced from a waste paper by dissolving and washing fibres in pulp and paper industries. In the deinking stage the goal is to release and remove the hydrophobic contaminants from the recycled paper.

Seal Type: BR10

Media Pulp with solid contents
RPM 980
Temperature 600 C
Pressure 12 Bar

Refiner

Seal Type: B-D

Media Wood chips, Lignine, Turpentine, Steam
RPM 1500
Temperature 2000 C
Pressure 16 Bar

Stock Pump

Seal Type: B-D

Media Industrial Abrasive Water
RPM 2800
Temperature 1500 C
Pressure 16 Bar

Pulp & Paper

Wood is the most important raw material for the pulp and paper industry. It is either digested to chemical pulp in digesters or reduced to mechanical pulp in grinders or refiners. The pulp produced this way is then graded, bleached and washed and conveyed to the paper machine. There it passes through the various stages such as head box, wire part, press section, drying section and reeling section.