UFLWT
Product Description
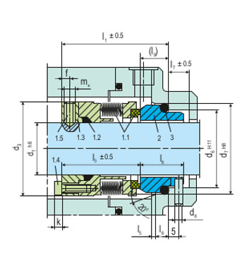
- Single seal configuration
- Balanced design
- Independent of direction of rotation
- For plain shafts
- Rotary metal bellows design
| Details | |
|---|---|
| Item No. | Description |
| 1.1 | Seal face with bellows unit |
| 1.2 | Sealing Ring |
| 1.3 | Drive Collar |
| 1.4 | Socket head screw |
| 1.5 | Set screw |
| 2 | Seat |
| 3 | Sealing Ring |

