HE
Product Description
- Circulation in accordance with API 682 / ISO 21049: Plan 21, Plan 22, Plan 23, Plan 41
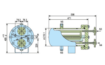
- HE designed heat exchanger is used to cool process/barrier fluids in seal supply systems.
- HE heat exchanger is available in standard construction and conforms to API 682 standards.
- The process/barrier medium is directed through the tube and the cooling medium through the shell. For simple draining or venting on the side of the cooling water, the heat exchanger can also be supplied with ventilation/drainage ball valves. Temperature instruments can also be fitted in the supply line of the mechanical seals.


