BFS2000
Product Description
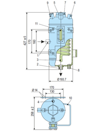
- BFS 2000 system is employed for applications in sealing systems with a wide variety of operating parameters for supplying buffer/barrier fluid to double and tandem mechanical seals. The BFS 2000 system is available in standard sizes with flat ends, sight-glasses for level monitoring and with or without cooling coil. BFS 2000 system is equipped as a standard with all the necessary system connections and brackets. Modular design combination available with a wide variety of system components and instruments selection possible such as, level switch, circulation pump, hand refill pump, thermometer, base frame etc.
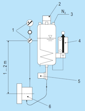
- Circulation in accordance with API 682 / ISO 21049: Plan 52, Plan 53A
| Details | |
|---|---|
| Item No. | Description |
| 1 | Buffer/barrier fluid IN (G1/2") |
| 2 | Buffer/Barrier fluid OUT (G1/2") |
| 3 | Cooling water IN (G1/2") |
| 4 | Cooling water OUT (G1/2") |
| 5 | Filling connection with plug (G1/2") |
| 6 | Pressure gas connection (G1/2") |
| 7 | Connection for level switch or level indicator (G2") |
| 8 | Connection for hand refill pump (G1/2") |
| 9 | Universal connection (G1/2") for safety valve, flare,etc |
| 10 | Bracket for hand refill pump |
| 11 | Sight-glass |


