HEK
Product Description
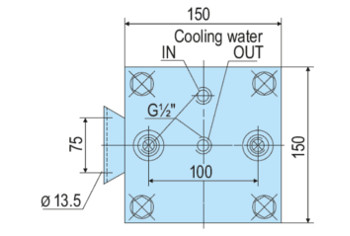
- Circulation in accordance with API 682 / ISO 21049: Plan 21, Plan 22, Plan 23, Plan 41
- HEK designed heat exchanger is employed to cool process/barrier fluids in seal supply systems. The heat exchanger has a wound double helix around the guide tube, the process/barrier medium is directed through the shell of the HEK and the cooling medium through the tubes


