BFS1016-BFS1010
Product Description
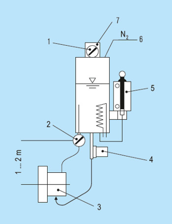
- Circulation in accordance with API 682 / ISO 21049: Plan 52, Plan 53A
- BFS1016 system is employed for applications in sealing systems with a wide variety of operating parameters for supplying buffer/barrier fluid to double and tandem mechanical seals. The BFS1016 system is available in standard sizes with flat ends, sight-glasses for level monitoring and with or without cooling coil. BFS1016 system is equipped as a standard with all the necessary system connections and brackets.
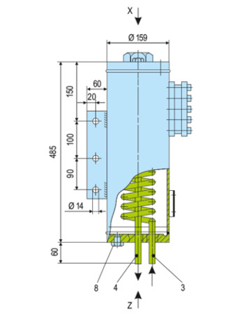
| Details | |
|---|---|
| Item No. | Description |
| 1 | Buffer/barrier fluid IN (G1/2") |
| 2 | Buffer/barrier fluid OUT (G1/2") |
| 3 | Cooling water IN (pipe 12 x 1·55 mm) |
| 4 | Cooling water OUT Cooling water OUT (pipe 12 x 1·55 mm) |
| 5 | Filling connection with cap (G1/2") |
| 6 | Pressure gas connection (1/4" NPT) |
| 7 | Connection for level switch (G2") |
| 8 | Connection for refill unit (G1/8") |
| 9 | Connection for pressure gauge (1/4"NPT) |
| 10 | Bracket for refill unit |



