preloader

Marine

CE Sea Blue
EC Sea Blue
CE
Reach
RoHS
RoHS
API Certificate

Cooling Water Pump

Cooling water pumps are large flow-rate, low- to medium-head units that operate at low rotational speed. Cooling water pumps are employed for marine and offshore industry, and it is basically divided into sea water cooling pump, and fresh water-cooling pump. It is a kind of popular engine room pump employed in vessels or ships.

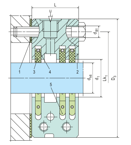
Seal Type: U320N

Media Sea Water
RPM 2900
Temperature 300 C
Pressure 12 Bar

Dredging Pump

A dredge pump is a horizontal centrifugal pump, it is designed to handle abrasive granular materials and solids of limited size in suspension. The dredge pump is designed to take in sediment, debris, and other harmful materials from the surface floor into a suction pipe, carrying the material to a discharge site through a pipeline. The pump must be able to handle common solid fragments of various sizes that are capable of passing through the pump, minimizing downtime required for cleaning.  

Seal Type:U700N

Media Sea Water
RPM 2750
Temperature 300 C
Pressure 7 Bar

Lubricating Oil Pump

Lubricating oil pumps are employed to supply oil to lubrication points, e.g., for plain bearings. In case of circulation, the lubricating oil pump takes in an amount of oil from a reservoir, forces it through the lubrication points and then feeds it back to the reservoir.

Seal Type: U700N

Media Lubricating Oil
RPM 2750
Temperature 1600 C
Pressure 6 Bar

Gear Box

The Gearbox is a mechanical device mainly employed to increase the output torque or to change the speed (RPM) of a motor. The shaft of the motor is connected to one end of the gearbox and through the internal configuration of gears of a gearbox, provides a given output torque and speed determined by the gear ratio.

Seal Type: ADKS

Media Oil
RPM 150m/s
Temperature 1200 C
Pressure 20 Bar

Marine

With automation in marine applications and the protection of our seas, the sealing technology is becoming increasingly important. Various different media need to be sealed in the tightest of spaces on board ships: the spectrum of applications in this sphere ranges from fuel supply, fire fighting facilities, bilge and ballast tank pumps right through to tubular stern seals, thru-bulkhead receptacles and flue gas ducts. Many of the seals used in such applications have to be seawater resistant, so in many cases are made from high-quality materials.